Народ не механическая бесформенная масса, народ есть некий организм, обладающий характером, дисциплиной сознания и дисциплиной воли, знающий, чего он хочет.

Бердяев Николай Александрович (1874-1948)
Официальный дистрибьютор электротехнической продукции
← Назад к Реле времени
Код IL: 1516916 В наличии: 4 шт.

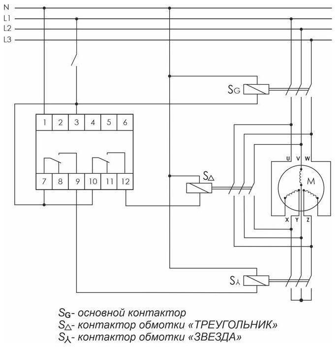
Евроавтоматика F&F EA02.001.020 Реле времени PCG-417 2х8А 230В 2НО IP20 звезда-треугольник для пуска электродвиг. монтаж на DIN-рейке F&F

Цена за 1 шт.
3,667 ₽
Можно оформить заказ сразу или добавить товар в корзину.
Количество
Купить сейчас
Кратко о товаре
Бренд
Евроавтоматика F&F
Артикул
EA02.001.020

Наличие на складах

Склад Горизонт
Нет в наличии
Склад ЦС
4 шт.
Купить можно сегодня, доставка или самовывоз в течение 2-3 рабочих дней.

Характеристики

Бренд
Евроавтоматика F&F
Артикул
EA02.001.020
Род тока включения
Переменный ток (AC)
Ширина
2
Высота
2
Глубина
2
Номинальное напряжение питания цепи управления Us перемен. тока АС при 50Гц
250...250
Функция звезда/треугольник
Да
Возможно дистанционное управление
Нет
Количество выходов с задержкой, переключающий контакт
2
Диапазон времени
.075....1
Вес
0.1

Описание

Одноканальное реле времени PCU-505 (EA02.001.020) Евроавтоматика F&F

Реле времени серии PCU с артикулом EA02.001.020 — это одноканальное многофункциональное устройство, поддерживающее 4 временных режима. Компактное реле занимает всего 1 модуль на DIN-рейке и предназначено для управления нагрузкой в системах автоматики: освещение, вентиляция, отопление, насосы.

Ключевые особенности

  • 4 рабочих функции: включение на время (A), задержка включения (B), циклическая работа с задержкой выключения (C), циклическая работа с задержкой включения (D).
  • Широкий диапазон времени: выдержка времени от 0,1 секунды до 24 суток.
  • Компактный размер: ширина 1 модуль DIN (18 мм), экономит место в щите.
  • Надежная коммутация: номинальный ток 8А.

Технические характеристики

  • Тип: Многофункциональное реле времени (4 функции)
  • Напряжение питания: 230 В AC / 24 В AC/DC
  • Номинальный ток: 8 А
  • Выход: 1 перекидной контакт
  • Диапазон выдержек времени: 0,1 с – 24 суток
  • Ширина: 18 мм (1 модуль DIN)
  • Монтаж: DIN-рейка 35 мм
  • Степень защиты: IP20

Комплектация

  • Реле времени PCU-505 (EA02.001.020) — 1 шт.
  • Техническая документация.

Установка и подключение

Устройство монтируется на DIN-рейку. Настройка функции и времени производится поворотными переключателями на лицевой панели. Благодаря компактным размерам, реле может быть установлено даже в самых тесных распределительных щитах.

Для каких задач подойдет

Реле EA02.001.020 — идеальное решение для задач, требующих временного управления одной нагрузкой в условиях ограниченного пространства. Подходит для автоматизации освещения в подъездах, управления вентиляцией в санузлах, задержки включения насосов. Закажите PCU-505 для эффективной автоматизации.

Похожие товары

Загрузка...